
歐標:
類別 | 截面尺寸 | 截面面積 (cm2) | 理論質量 (kg/m) | ||||
|---|---|---|---|---|---|---|---|
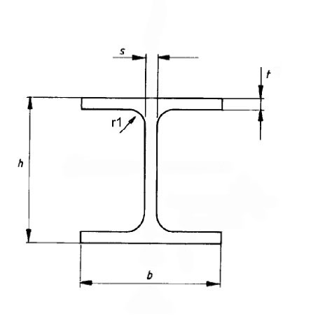
| IPB | h | b | s | t | r1 | ||
| 100 | 100 | 100 | 6.0 | 10.0 | 12 | 26.0 | 20.4 |
| 120 | 120 | 120 | 6.5 | 11.0 | 12 | 34.0 | 26.7 |
| 140 | 140 | 140 | 7.0 | 12.0 | 12 | 43.0 | 33.7 |
| 160 | 160 | 160 | 8.0 | 13.0 | 15 | 54.3 | 42.6 |
| 180 | 180 | 180 | 8.5 | 14.0 | 15 | 65.3 | 51.2 |
| 200 | 200 | 200 | 9.0 | 15.0 | 18 | 78.1 | 61.3 |
| 220 | 220 | 220 | 9.5 | 16.0 | 18 | 91.0 | 71.5 |
| 240 | 240 | 240 | 10.0 | 17.0 | 21 | 106.0 | 83.2 |
| 260 | 260 | 260 | 10.0 | 17.5 | 24 | 118.0 | 93.0 |
| 280 | 280 | 280 | 10.5 | 18.0 | 24 | 131.0 | 103.0 |
| 300 | 300 | 300 | 11.0 | 19.0 | 27 | 149.0 | 117.0 |
| 320 | 320 | 300 | 11.5 | 20.5 | 27 | 164.0 | 127.0 |
| 340 | 340 | 300 | 12.0 | 21.5 | 27 | 171.0 | 134.0 |
| 360 | 360 | 300 | 12.5 | 22.2 | 27 | 181.0 | 142.0 |
| 400 | 400 | 300 | 13.5 | 24.0 | 27 | 198.0 | 155.0 |
| 450 | 450 | 300 | 14.0 | 26.0 | 27 | 218.0 | 171.0 |
| 500 | 500 | 300 | 14.5 | 28.0 | 27 | 239.0 | 187.0 |
| 550 | 550 | 300 | 15.0 | 29.0 | 27 | 254.0 | 199.0 |
| 600 | 600 | 300 | 15.5 | 30.0 | 27 | 270.0 | 212.0 |
| 650 | 650 | 300 | 16.0 | 31.0 | 27 | 286.0 | 225.0 |
| 700 | 700 | 300 | 17.0 | 32.0 | 27 | 306.0 | 241.0 |
| 800 | 800 | 300 | 17.5 | 33.0 | 30 | 334.0 | 262.0 |
| 900 | 900 | 300 | 18.5 | 35.0 | 30 | 371.0 | 291.0 |
| 1000 | 1000 | 300 | 19.0 | 36.0 | 30 | 400.0 | 314.0 |
| 類別 | 截面尺寸 | 截面面積 (cm2) | 理論質量 (kg/m) | ||||
| IPBI | h | b | s | t | r | ||
| 100 | 96 | 100 | 5.0 | 8.0 | 12 | 21.2 | 16.7 |
| 120 | 114 | 120 | 5.0 | 8.0 | 12 | 25.3 | 19.8 |
| 140 | 133 | 140 | 5.5 | 8.5 | 12 | 31.4 | 24.7 |
| 160 | 152 | 160 | 6.0 | 9.0 | 15 | 38.8 | 30.4 |
| 180 | 171 | 180 | 6.0 | 9.5 | 15 | 45.3 | 35.5 |
| 200 | 190 | 200 | 6.5 | 10.0 | 18 | 53.8 | 42.3 |
| 220 | 210 | 220 | 7.0 | 11.0 | 18 | 64.3 | 50.5 |
| 240 | 230 | 240 | 7.5 | 12.0 | 21 | 76.8 | 60.3 |
| 260 | 250 | 260 | 7.5 | 12.5 | 24 | 86.8 | 68.2 |
| 280 | 270 | 280 | 8.0 | 13.0 | 24 | 97.3 | 76.4 |
| 300 | 290 | 300 | 8.5 | 14.0 | 27 | 112.0 | 88.3 |
| 320 | 310 | 300 | 9.0 | 15.5 | 27 | 124.0 | 97.6 |
| 340 | 330 | 300 | 9.5 | 16.5 | 27 | 133.0 | 105.0 |
| 360 | 350 | 300 | 10.0 | 17.5 | 27 | 143.0 | 112.0 |
| 400 | 390 | 300 | 11.0 | 19.0 | 27 | 159.0 | 125.0 |
| 450 | 440 | 300 | 11.5 | 21.0 | 27 | 178.0 | 140.0 |
| 500 | 490 | 300 | 12.0 | 23.0 | 27 | 198.0 | 155.0 |
| 550 | 540 | 300 | 12.5 | 24.0 | 27 | 212.0 | 166.0 |
| 600 | 590 | 300 | 13.0 | 25.0 | 27 | 226.0 | 178.0 |
| 650 | 640 | 300 | 13.5 | 26.0 | 27 | 242.0 | 190.0 |
| 700 | 690 | 300 | 14.5 | 27.0 | 27 | 260.0 | 204.0 |
| 800 | 790 | 300 | 15.0 | 28.0 | 30 | 286.0 | 224.0 |
| 900 | 890 | 300 | 16.0 | 30.0 | 30 | 320.0 | 252.0 |
| 1000 | 990 | 300 | 16.5 | 31.0 | 30 | 347.0 | 272.0 |
| 類別 | 截面尺寸 | 截面面積 (cm2) | 理論質量 (kg/m) | ||||
| IPBV | h | b | s | t | r | ||
| 100 | 120 | 106 | 12.0 | 20.0 | 12 | 53.2 | 41.8 |
| 120 | 140 | 126 | 12.5 | 21.0 | 12 | 66.4 | 52.1 |
| 140 | 160 | 146 | 13.0 | 22.0 | 12 | 80.6 | 63.2 |
| 160 | 180 | 166 | 14.0 | 23.0 | 15 | 97.1 | 76.2 |
| 180 | 200 | 186 | 14.5 | 24.0 | 15 | 113.0 | 88.9 |
| 200 | 220 | 206 | 15.0 | 25.0 | 18 | 131.0 | 103.0 |
| 220 | 240 | 226 | 15.5 | 26.0 | 18 | 149.0 | 117.0 |
| 240 | 270 | 248 | 18.0 | 32.0 | 21 | 200.0 | 157.0 |
| 260 | 290 | 268 | 18.0 | 32.5 | 24 | 220.0 | 172.0 |
| 280 | 310 | 288 | 18.5 | 33.0 | 24 | 240.0 | 189.0 |
| 300 | 340 | 310 | 21.0 | 39.0 | 27 | 303.0 | 238.0 |
| 320/305 | 320 | 305 | 16.0 | 29.0 | 27 | 225.0 | 177.0 |
| 320 | 359 | 309 | 21.0 | 40.0 | 27 | 312.0 | 245.0 |
| 340 | 377 | 309 | 21.0 | 40.0 | 27 | 316.0 | 248.0 |
| 360 | 395 | 308 | 21.0 | 40.0 | 27 | 319.0 | 250.0 |
| 400 | 432 | 307 | 21.0 | 40.0 | 27 | 326.0 | 256.0 |
| 450 | 478 | 307 | 21.0 | 40.0 | 27 | 335.0 | 263.0 |
| 500 | 524 | 306 | 21.0 | 40.0 | 27 | 344.0 | 270.0 |
| 550 | 572 | 306 | 21.0 | 40.0 | 27 | 354.0 | 278.0 |
| 600 | 620 | 305 | 21.0 | 40.0 | 27 | 364.0 | 285.0 |
| 650 | 668 | 305 | 21.0 | 40.0 | 27 | 374.0 | 293.0 |
| 700 | 716 | 304 | 21.0 | 40.0 | 27 | 383.0 | 301.0 |
| 800 | 814 | 303 | 21.0 | 40.0 | 30 | 404.0 | 317.0 |
| 900 | 910 | 302 | 21.0 | 40.0 | 30 | 424.0 | 333.0 |
| 1000 | 1008 | 302 | 21.0 | 40.0 | 30 | 444.0 | 349.0 |
| 類別 | 截面尺寸 | 截面面積 (cm2) | 理論質量 (kg/m) | ||||
| IPE | h | b | s | t | r | ||
| 80 | 80 | 46 | 3.8 | 5.2 | 5 | 7.6 | 6.0 |
| 100 | 100 | 55 | 4.1 | 5.7 | 7 | 10.3 | 8.1 |
| 120 | 120 | 64 | 4.4 | 6.3 | 7 | 13.2 | 10.4 |
| 140 | 140 | 73 | 4.7 | 6.9 | 7 | 16.4 | 12.9 |
| 160 | 160 | 82 | 5.0 | 7.4 | 9 | 20.1 | 15.8 |
| 180 | 180 | 91 | 5.3 | 8.0 | 9 | 23.9 | 18.8 |
| 200 | 200 | 100 | 5.6 | 8.5 | 12 | 28.5 | 22.4 |
| 220 | 220 | 110 | 5.9 | 9.2 | 12 | 33.4 | 26.2 |
| 240 | 240 | 120 | 6.2 | 9.8 | 15 | 39.1 | 30.7 |
| 270 | 270 | 135 | 6.6 | 10.2 | 15 | 45.9 | 36.1 |
| 300 | 300 | 150 | 7.1 | 10.7 | 15 | 53.8 | 42.2 |
| 330 | 330 | 160 | 7.5 | 11.5 | 18 | 62.6 | 49.1 |
| 360 | 360 | 170 | 8.0 | 12.7 | 18 | 72.7 | 57.1 |
| 400 | 400 | 180 | 8.6 | 13.5 | 21 | 84.5 | 66.3 |
| 450 | 450 | 190 | 9.4 | 14.6 | 21 | 98.8 | 77.6 |
| 500 | 500 | 200 | 10.2 | 16.0 | 21 | 116.0 | 90.7 |
| 550 | 550 | 210 | 11.1 | 17.2 | 24 | 134.0 | 106.0 |
| 600 | 600 | 220 | 12.0 | 19.0 | 24 | 156.0 | 122.0 |


